HGL30HA 臺灣HIWIN滑塊 HIWIN導(dǎo)軌 臺灣上銀滑塊導(dǎo)軌
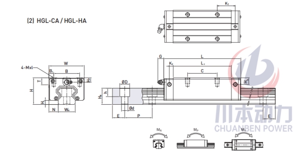
組件尺寸 | H | 42 | mm |
H1 | 6 | mm | |
N | 16 | mm | |
滑塊尺寸 | W | 60 | mm |
B | 40 | mm | |
B1 | 10 | mm | |
C | 60 | mm | |
L1 | 93 | mm | |
L | 120.4 | mm | |
K1 | 21.75 | mm | |
K2 | 6 | mm | |
G | 12 | mm | |
MxL | M8*10 | mm | |
T | 8.5 | mm | |
H2 | 6.5 | mm | |
H3 | 10.8 | mm | |
導(dǎo)軌尺寸 | WR | 28 | mm |
HR | 26 | mm | |
D | 14 | mm | |
h | 12 | mm | |
d | 9 | mm | |
P | 80 | mm | |
E | 20 | mm | |
導(dǎo)軌的固定螺栓尺寸 | 導(dǎo)軌的固定螺栓尺寸 | M8*25 | mm |
基本動額定載荷 | C | 47.27 | kN |
基本靜額定載荷 | C0 | 69.16 | kN |
容許靜力矩 | MR | 0.88 | kN-m |
MP | 0.92 | kN-m | |
MY | 0.92 | kN-m | |
重量 | 滑塊 | 1.03 | kg |
導(dǎo)軌 | 4.47 | kg/m |
TAG:list


